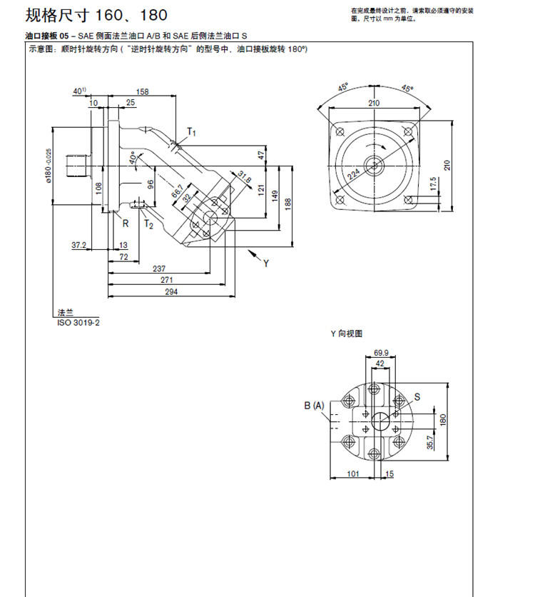
力士樂定量柱塞泵
A2FO160/61R-PBB05產品型號、工作原理、安裝尺寸、技術參數等相關產品信息如下:






力士樂定量柱塞泵
A2FO160/61R-PBB05相關產品型號包括:
A2FO160/61R-PAB05 A2FO160/61R-PBB05 A2FO160/61R-PPB05 A2FO160/61R-PZB05
A2FO160/61R-VAB05 A2FO160/61R-VBB05 A2FO160/61R-VPB05 A2FO160/61R-VZB05
A2FO160/61L-PAB05 A2FO160/61L-PBB05 A2FO160/61L-PPB05 A2FO160/61L-PZB05
A2FO160/61L-VAB05 A2FO160/61L-VBB05 A2FO160/61L-VPB05 A2FO160/61L-VZB05