力士樂REXROTH柱塞泵
A10VSO71DFR1/31R-PPA12N00產品簡介
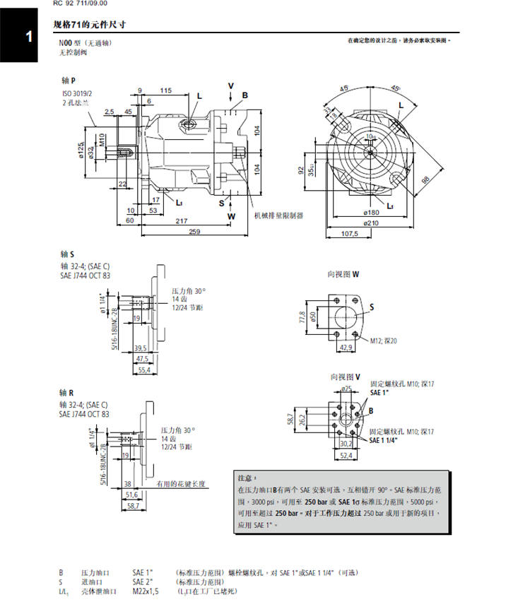
該泵為排量71的變量柱塞泵,控制方式為壓力和流量控制,配合特定的控制閥、可實現無極變速功能。該泵有的軸端有平鍵軸
和花鍵軸方式供用戶選擇,工程機械上一般選用花鍵軸,工業上一般使用平鍵軸。該變量柱塞泵常用于行走機械、工程機械、
農業機械、環保機械等設備上使用。


相關產品型號規格:
A10VSO71DFR1/31R-PPA12NOO(同型號不同表達方式)
A10VSO71DFR/31R-PPA12N00(帶阻尼的壓力流量控制方式的變量柱塞泵)
A10VSO71DR/31R-PPA12N00(恒壓控制方式的力士樂柱塞泵)
A10VSO71DFLR/31R-PPA12N00(恒功率控制的力士樂柱塞泵)
AA10VSO71DFR1/31R-PPA12N00(德國力士樂REXROTH定制款型號)
L10VSO71DFR1/31R-PPA12N00(力源柱塞泵的型號標示方式)
A10VSO71DFR1/31R-PSC12K07(71排量的花鍵軸的通軸串聯柱塞泵型號)
A10VSO71DFR1/31R-PSC12N00(非通軸DIN花鍵軸)
A10VSO71DFR1/31R-VSA12N00((非通軸SAE小花鍵軸))
A10VSO71DFR1/31R-VSC12N00((非通軸SAE花鍵軸))
變量柱塞泵
A10VSO71DFR1/31R-PPA12N00型號說明:A10VSO系列,排量為71ml/r,控制方式DFR1即壓力流量控制,可作為負載敏感
控制方式,PPA12N00平鍵軸,非通軸選項,密封件為丁腈橡膠。


我公司生產的力士樂
REXROTH柱塞泵A10VSO71系列產品型號規格齊全,A10VSO71DFR1/31R-PPA12N00可全完替代進口產品,
產品貨期短,質量高,價格便宜。