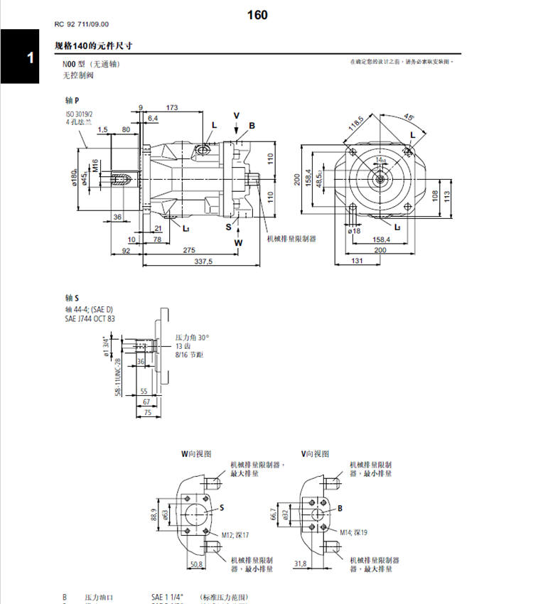
力士樂液壓泵
A10VSO140DR/31R-PPB12N00產品介紹
力士樂液壓泵A10VSO140DR/31R-PPB12N00是恒壓變量柱塞泵A10VSO系列中排量規格為140的產品型號規格之一。該規格的
液壓泵采用恒壓DR控制方式,可以實現高負荷狀態下保持系統壓力不變的特性。該泵常用于液壓站,行走機械、工程機械、礦山
機械等。
技術參數如下:
產品額定轉速:500-3000r/min;
額定工作壓力:28Mpa;
峰值工作壓力:35Mpa;
泵的額定排量:140ml/r;
泵的容積效率:大于等于95%;
控制方式:DR恒壓控制;
力士樂液壓泵A10VSO140DR產品實物圖如下



產品型號定義如下圖




A10VSO140DR/31R-PPB12N00型號說明:
A10VSO為恒壓變量液壓泵的型號;
100代表排量為100ml/r;
DR代表控制方式為恒壓變量控制;
31代表系列結構;
R 為順時針轉向(正轉);
P(第一個P)代表軸伸形式為平鍵軸;
P(第二個P)代表產品密封材料丁青橡膠;
12 代表后蓋形式;
N00 代表本產品無通軸選項;
恒壓變量液壓柱塞泵
A10VSO140DR/31R-PPB12N00相關型號規格如下
A10VSO140DR/31R-PPB12NOO
A10VSO140DR/31R-PSC12N00
A10VSO140DR/31R-VSC12N00
A10VSO140DR/31R-PSA12N00
A10VSO140DR/31R-VSA12N00
A10VSO140DRG/31R-PPB12N00A10VSO140DR/31L-PPB12N00
A10VSO140DR/31R-PSC62N00
A10VSO140DR/31R-PSC92N00
A10VSO140DR/31R-VSC12N00
A10VSO140DR/31R-PSC12N00
L10VSO140DR/31R-PPB12N00
A10VSO140DR/31R-PSC12K07
A10VSO140DR/31R-PSC12KB5
更多關于產品型號、產品性能、產品用途、產品安裝方式、結構尺寸等請聯系我公司銷售人員。